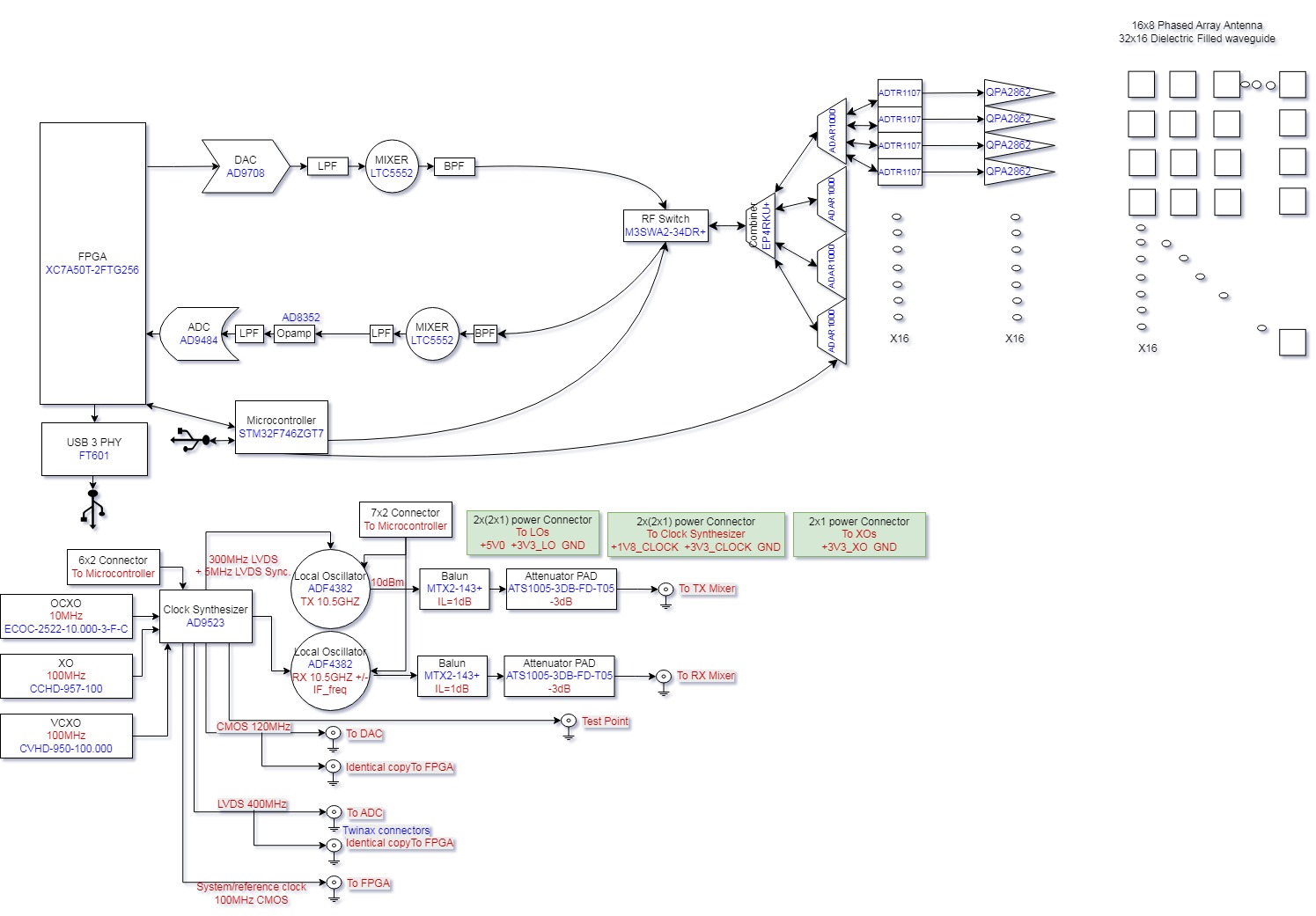
AERIS-10是一款开源、低成本的10.5 GHz相控阵雷达系统,采用脉冲线性调频(LFM)调制。它有两个版本(3公里和20公里范围),专为研究人员、无人机开发人员和想要探索和实验相控阵雷达技术的严肃SDR爱好者而设计。生产商:CAJOE Radar(cajoe cn),我们同时提供可部署版本的无人机探测雷达,具备防水,防尘,防震,必备野外部署可靠性部署的雷达。
有两个版本可供选择:AERIS-10N(Nexus),通过8×16贴片天线阵列提供高达3公里的射程;以及AERIS-10X(Extended),由于32×16填充电介质的开槽波导阵列,提供高达20公里的射程。
视频:
【AERIS-10无人机探测雷达,X波段相控阵,科州雷达生产CAJOE-哔哩哔哩】 https://b23.tv/FxVc4W6






科州CAJOE雷达部